森霸传感SPG-EA32-EF红外热释电气体传感器可以通过其内部电荷的变化来测量六氟化硫气体组分浓度。产品由 TO-39金属管壳封装而成,使用两个独立窗口,分别装有参考滤波器和针对六氟化硫气体选择的窄带通滤波器,内部集成FET等电子元件,具有高可靠性、高灵敏度等优点。森霸SPG-EA32-EF产品广泛应用于室内空气质量监测、工业气体泄漏检测及中央通风系统控制等领域。
TO-39 封装
高灵敏度
快速响应时间
补偿型
3.95μm、10.6μm 窄带滤光片
| 参数 | Min | Typ. | Max. | units | 测试条件 |
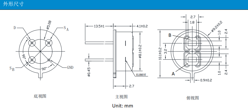
| 窗口尺寸 | 2-2.4*2.7 | mm² | |||
| 灵敏区域 | 1.8*1.8 | mm² | |||
| 电源电压 | 2 | 15 | V | ||
| 源极电压 | 0.4 | 0.6 | 1 | V | Blackbody=500K,1Hz@25℃ |
| 噪声电压 | 300 | nV/Hz¹/² | Temp=25℃ | ||
| 比探测率 | 6.8E07 | cm Hz¹/²/W | Blackbody=500K,10Hz@25℃ | ||
| 电压响应率 | 400 | 490 | V/w | Blackbody=500K,1Hz@25℃ with filter/window |
| 环境要求 | |
| 工作温度 | -30℃~+85℃ |
| 储存温度 | -30℃~+100℃ |
森霸SPG-EA32-EF外形尺寸图:
